首页
公司简介
新闻中心
公司新闻
行业动态
产品展示
断路器及配网自动化系列
计量箱系列产品
电能质量在线监测装置(防窃电)
互感器系列产品
成功案例
常见问题
联系我们
全国服务热线:
15736822999、15308028894
首页
公司简介
新闻中心
公司新闻
行业动态
产品展示
断路器及配网自动化系列
计量箱系列产品
电能质量在线监测装置(防窃电)
互感器系列产品
成功案例
常见问题
联系我们
当前位置:
首页
>
产品展示
>
互感器系列产品
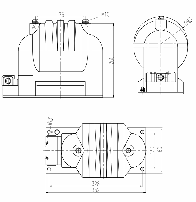
JDZ9-10型电压互感器
[ 时间:2025-09-12 14:02:37 ]
详细信息
JDZ9-10型电压互感器
技术参数
型号
额定电压比(kV)
准确级
额定二次输出(VA)
极限输出(VA)
JDZ9 - 10
10/0.1
0.2
40
500
JDZ9 - 10
10/0.1
0.5
80
500
JDZ9 - 10
10/0.1/0.22
0.2/3
30/400
300/500
JDZ9 - 10
10/0.1/0.22
0.5/3
60/400
300/500
外形尺寸
上一篇:
JDZX10-10型电压互感器
下一篇:
JDZQN-10型电压互感器
相关产品
LJ-ZW32-10-二次融合电流互感器
YTJL-10、15、20WJ一体化电压电流组合传感器
YTJL-10WF-二次融合电子式组合传感器
15736822999、15308028894
微信咨询
网站首页
电话咨询
返回顶部