LJ-ZW32-10-二次融合电流互感器

技术参数
| 型号 | 额定一次电流(A) | 额定二次电流(A) | 准确级及额定二次输出(VA) | ||
|---|---|---|---|---|---|
| 0.5 | 10P5 | 10P10 | |||
| LJ - ZW32 - 10 | 200 | 5(1) | 2.5 | 1.5 | 0.75 |
| LJ - ZW32 - 10 | 400 | 5(1) | 3.75 | 3.75 | 2.5 |
| LJ - ZW32 - 10 | 600 | 5(1) | 5 | 10 | 5 |
| LJ - ZW32 - 10 | 零序:20 | 1 | 0.5 | ||
| LJ - ZW32 - 10 | 零序:50 | 1 | 1 | ||
| LJ - ZW32 - 10 | 零序:100 | 1 | 1 |
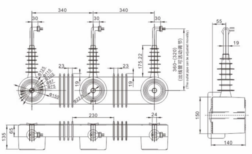
外形尺寸
